banner

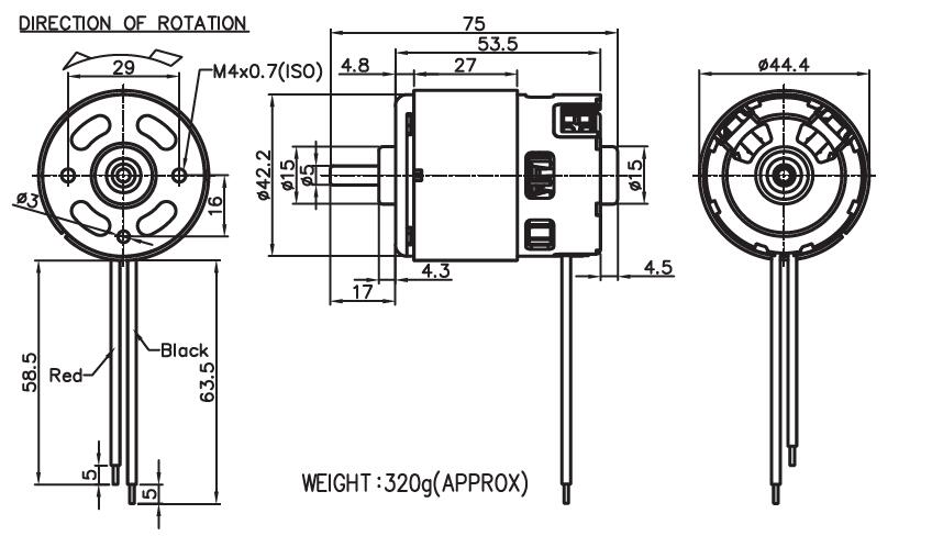
736Bürstenmotor /圓型鐵殼

用途: Elektrowerkzeuge 、Gartengeräte

product_152593579399.jpg

direction_151598704220.jpg

MODEL VOLTAGE NO LOAD AT MAXIMUM EFFICIENCY STALL
OPERATING
RANGE
NOMINAL SPEED CURRENT SPEED CURRENT TORQUE OUTPUT EFF CURRENT TORQUE
rpm A rpm A g-cm mN-m W % A g-cm mN-m
736-8017-R 12.0-24.0 18.0V CONSTANT 20000 3.60 17241 19.65 1426 139.80 252.48 75 137.35 11700 1147.1
736-8514-R 9.6-18.0 14.4V CONSTANT 20000 4.20 16920 19.97 1195 117.16 207.65 73 142.07 9830 963.7
736-8514-R 10.0-18.0 18.0V CONSTANT 24000 4.30 20877 22.21 1309 128.33 280.64 73 167.31 11400 1117.7
736-9015-R 9.6-18.0 14.4V CONSTANT 18600 4.00 15552 19.13 1216 119.22 194.21 71 137.30 10467 1026.2
馬達的出軸長度及性能參數,EMC 對策可依客人要求做調整,詳情可詢問相關業務人員。
  • torque_151598704262.jpg
  • torque_151598704281.jpg
  • torque_151598704289.jpg
  • torque_151598704268.jpg