banner

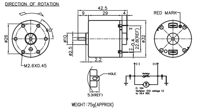
GRDBürstenmotor /圓型鐵殼

用途: Elektrowerkzeuge 、elektrische Antennen 、uftpumpen für Kraftfahrzeuge 、automatische Transformatoren

product_152594227466.jpg

direction_151504785644.jpg

MODEL VOLTAGE NO LOAD AT MAXIMUM EFFICIENCY STALL
OPERATING
RANGE
NOMINAL SPEED CURRENT SPEED CURRENT TORQUE OUTPUT EFF CURRENT TORQUE
rpm A rpm A g-cm mN-m W % A g-cm mN-m
GRD-12500-R 12.0-24.0 24.0V CONSTANT 6200 0.12 4958 0.27 73.67 7.22 3.75 61 1.19 411 40.29
GRD-26125-R 3.0-9.0 9.0V CONSTANT 9500 0.40 7746 1.39 97.96 9.60 7.79 64 7.55 637 62.45
GRD-15450-R 12.0-24.0 12.0V CONSTANT 3400 0.09 2851 0.24 45.89 4.50 1.34 52.08 1.08 273 26.76
GRD-16350-R 12.0-24.0 12.0V CONSTANT 4500 0.13 3574 0.34 65.11 6.38 2.39 61.25 1.48 333 32.65
馬達的出軸長度及性能參數,EMC 對策可依客人要求做調整,詳情可詢問相關業務人員。
  • torque_151504785669.jpg
  • torque_151504785652.jpg
  • torque_165537115733.jpg
  • torque_165537115790.jpg