banner

UC-260Bürstenmotor /方型鐵殼

用途: Zentralverriegelungen 、Haartrockner

product_152600495870.jpg

direction_151445030199.jpg

MODEL VOLTAGE NO LOAD AT MAXIMUM EFFICIENCY STALL
OPERATING
RANGE
NOMINAL SPEED CURRENT SPEED CURRENT TORQUE OUTPUT EFF CURRENT TORQUE
rpm A rpm A g-cm mN-m W % A g-cm mN-m
UC-260-18160-NR 3.0-9.0 6.0V CONSTANT 10000 1.20 7860 0.44 19.6 1.92 1.58 60 1.80 97 9.50
UC-260S-09400-NR 12.0-24.0 12.0V CONSTANT 6000 0.07 4520 0.15 17 1.66 0.80 44 0.45 70 6.86
UC-260S-2665P-R 3.0-6.0 4.5V CONSTANT 14000 0.32 10893 1.82 40 3.92 4.48 55 6.76 174 17.06
UC-260S-12300P-R 12.0-24.0 24.0V CONSTANT 16500 0.10 13021 0.43 45 4.44 6.06 58 1.79 235 23.04
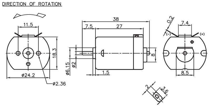
馬達的出軸長度及性能參數,EMC 對策可依客人要求做調整,詳情可詢問相關業務人員。
  • torque_151445030139.jpg
  • torque_151445030149.jpg
  • torque_151445030189.jpg
  • torque_151445030185.jpg