banner

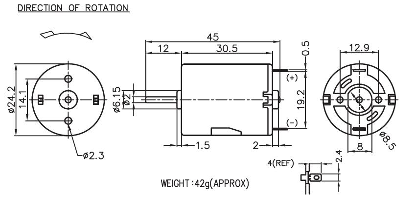
FC-280Bürstenmotor /圓型鐵殼

用途: Zentralverriegelungen 、lektrische Massagegeräte 、elektrische Haarschneidemaschinen 、Fernsteuerungsauto 、Massagegerät

product_152600676468.jpg

direction_151486163763.jpg

MODEL VOLTAGE NO LOAD AT MAXIMUM EFFICIENCY STALL
OPERATING
RANGE
NOMINAL SPEED CURRENT SPEED CURRENT TORQUE OUTPUT EFF CURRENT TORQUE
rpm A rpm A g-cm mN-m W % A g-cm mN-m
FC-280-20120-NR 4.5-9.0 6.0V CONSTANT 10000 0.13 7800 0.60 21.62 2.11 1.70 50.00 2.23 105 10.29
FC-280S-09400-NR 12.0-24.0 12.0V CONSTANT 4500 0.05 3095 0.14 21.57 2.11 0.69 43.00 0.41 85 8.33
FC-280SB-22105-NR 4.5-9.0 4.5V CONSTANT 6400 0.16 5147 0.59 26.23 2.57 1.39 54.00 2.76 157 15.39
FC-280S-20120-NR 4.5-12.0 12.0V CONSTANT 14500 0.16 12200 0.88 49.17 4.82 6.19 58.63 5.40 320 31.37
馬達的出軸長度及性能參數,EMC 對策可依客人要求做調整,詳情可詢問相關業務人員。
  • torque_151486163793.jpg
  • torque_165534756450.jpg
  • torque_165534756487.jpg
  • torque_151486163740.jpg