banner

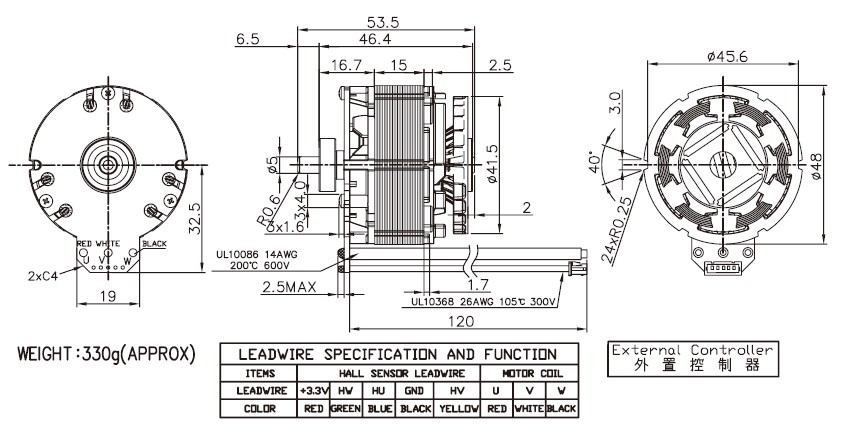
BLDC4815Bürstenloser Motor /圓型鐵殼

用途: Elektrowerkzeuge

product_158735444946.jpg

direction_158735444970.jpg

MODEL VOLTAGE NO LOAD AT MAXIMUM EFFICIENCY STALL
OPERATING
RANGE
NOMINAL SPEED CURRENT SPEED CURRENT TORQUE OUTPUT EFF CURRENT TORQUE
rpm A rpm A g-cm mN-m W % A g-cm mN-m
BL48F15S-18V16K180W-B1X0N 14.4-21.6V 18.0V CONSTANT 16150 2.13 13966 14.37 1280 125.49 183.73 78 92.37 9380 919.61
BL48F15S-21.6V21K240W-B1X0N 14.4-21.6V 21.6V CONSTANT 20500 2.40 18051 15.42 1300 127.45 240.99 73 98.59 8730 855.88
馬達的出軸長度及性能參數,EMC 對策可依客人要求做調整,詳情可詢問相關業務人員。
  • torque_158735444911.jpg
  • torque_158735444923.jpg